Catalog
We embrace innovation and creative thinking to pioneer new products.

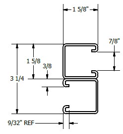
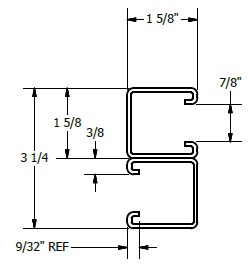
H-132-OSD strut channels are manufactured by a series of forming dies, or rolls, which progressively cold work the strip steel into the desired channel configuration. This method produces a cross-section of uniform dimensions within a tolerance of ±0.015" on outside dimensions.
H-Strut channels are produced from prime structural metals covered by the following specifications. (See the technical section for additional information.)
H-Strut is available in powder-coated and zinc trivalent. Other finishes are available upon request.
| Span or Unbraced Height(in) | Static Beam Load (X-X Axis) | Max. Allowable Load at Slot Face(lbs) | Column Loading Data | ||||||||
|---|---|---|---|---|---|---|---|---|---|---|---|
| Max Allowable Uniform Load(lbs) | Deflection at Uniform Load(in) | Uniform Load at Deflection | Max. Column Load Applied at C.G. | ||||||||
| Span/180 Deflection(lbs) | Span/240 Deflection(lbs) | Span/360 Deflection(lbs) | Weight of Channel(lbs) | k=.65(lbs) | k=.80(lbs) | k=1.0(lbs) | k=1.2(lbs) | ||||
| 12 | 3,500* | 0.01 | 3,500* | 3,500* | 3,500* | 3.9 | 6,640 | 25,540 | 25,430 | 25,240 | 25,020 |
| 18 | 3,500* | 0.02 | 3,500* | 3,500* | 3,500* | 5.8 | 6,580 | 25,270 | 25,020 | 24,610 | 24,120 |
| 24 | 3,500* | 0.03 | 3,500* | 3,500* | 3,500* | 7.8 | 6,510 | 24,890 | 24,460 | 23,750 | 22,920 |
| 30 | 3,500* | 0.05 | 3,500* | 3,500* | 3,500* | 9.7 | 6,410 | 24,420 | 23,750 | 22,690 | 21,460 |
| 36 | 3,260 | 0.07 | 3,260 | 3,260 | 3,260 | 11.6 | 6,300 | 23,850 | 22,920 | 21,460 | 19,800 |
| 42 | 2,790 | 0.10 | 2,790 | 2,790 | 2,790 | 13.6 | 6,170 | 23,190 | 21,970 | 20,090 | 18,010 |
| 48 | 2,440 | 0.13 | 2,440 | 2,440 | 2,440 | 15.5 | 6,030 | 22,460 | 20,930 | 18,620 | 16,140 |
| 60 | 1,950 | 0.20 | 1,950 | 1,950 | 1,660 | 19.4 | 5,690 | 20,790 | 18,620 | 15,510 | 12,410 |
| 72 | 1,630 | 0.28 | 1,630 | 1,630 | 1,150 | 23.3 | 5,310 | 18,920 | 16,140 | 12,410 | 8,990 |
| 84 | 1,400 | 0.39 | 1,400 | 1,270 | 840 | 27.2 | 4,890 | 16,920 | 13,630 | 9,510 | 6,600 |
| 96 | 1,220 | 0.50 | 1,220 | 970 | 650 | 31.0 | 4,450 | 14,880 | 11,220 | 7,280 | 5,060 |
| 108 | 1,090 | 0.64 | 1,020 | 770 | 510 | 34.9 | 3,980 | 12,860 | 8,990 | 5,750 | 3,990 |
| 120 | 980 | 0.79 | 830 | 620 | 410 | 38.8 | 3,560 | 10,930 | 7,280 | 4,660 | |
| 144 | 810 | 1.13 | 570 | 430 | 290 | 46.6 | 2,870 | 7,660 | 5,060 | ||
| 168 | 700 | 1.54 | 420 | 320 | 210 | 54.3 | 5,630 | ||||
| 180 | 650 | 1.77 | 370 | 280 | 180 | 58.2 | 4,900 | ||||
| 192 | 610 | 2.01 | 320 | 240 | 160 | 62.1 | 4,310 | ||||
| 216 | 540 | 2.55 | 260 | 190 | 130 | 69.8 | |||||
| 240 | 490 | 3.15 | 210 | 160 | 100 | 77.6 | |||||
# Bearing Load may limit load | * Load limited by spot weld shear | ** Not recommended - KL/r exceeds 200